Típus | John Deere | New Holland | Claas | Case IH | Laverda | Deutz-Fahr | Fendt |
| ULTRON | W 540/550/660 | CX 7080/7090 | LEXION 620 | AF 7230 | M 300 | C 9000 | 8380 P/8410 P |
| ULTRON | T 550/560/660/670 | CX 8070/8080 | LEXION 670 | AF 9230 | M400 | - | 6275 C / 6335 C |
| ULTRON | S 660/670680 | CX8090 | LEXION 740/780 | AF 9230 | - | - | - |
| ULTRON PRO SERIES | S 690 | CX 8090 | LEXION 780 | AF9230 | M400 | C 9000 | 6490 X |
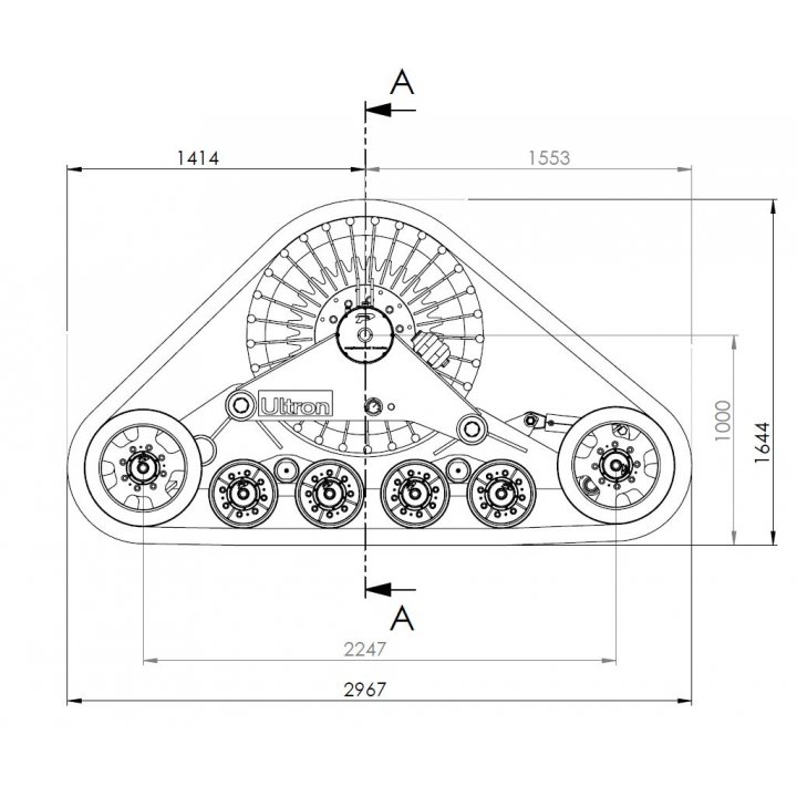
ULTRON TERRA DRIVE

Lengéscsillapító rendszerrel ellátott gumihevederes járószerkezet
Cím
2030 Érd
Bajcsy-Zsilinszky út 41.
Kapcsolat
Telefon: +36 23 376 052
Email: info@dapker.hu
Ossz meg minket:
Kövess minket: